Voorliggend Scharnier
Dit standaard scharnier is één van de goedkoopste voorliggende scharnieren. Dit is een voorliggend scharnier met een openingshoek van 110 graden. Handig van dit scharnier is dat de bodem los te schroeven is. Hierdoor kan het ene deel van het scharnier aan de kast worden bevestigd en het andere deel aan de deur. Dit scheelt een hoop moeite!
Montage
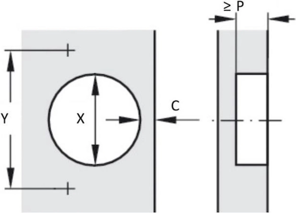
De potmaat van dit scharnier is 35mm en de boordiepte minimaal 11,5mm. Door middel van het klikmechanisme is dit scharnier erg makkelijk te bevestigen. Ook is het scharnier gemakkelijk af te stellen door middel van sleufgaten.
De meeste mensen gebruiken de standaard montageplaat met een waarde D=0. Mocht u wel een montageplaatje nodig hebben dan kunt u hieronder het verband zien tussen het montageplaatje (D), de overligging en de boorafstand (C). Let wel op dat u langere schroeven nodig heeft wanneer u een dikkere montageplaat gebruikt.
Alle potscharnieren worden geleverd met montageplaat D=0. Als je wilt dat de deur vlak ligt ten opzichte van de zijwand (K=0), kun je de overligging berekenen met de onderstaande tabel. Stel de deurdikte is 18mm, dan is de afstand van de rand van het potgat tot aan de rand van de want C=5mm.
Overligging C=2 C=3 C=4 C=5 C=6 C=7 D=0 15 16 17 18 19 20
C: potafstand 3–7mm P: boordiepte pot ≥11,5mm X: potdiameter 35mm Y: boorafstand 48mm L: Lengte 37mm B: Afstand gaten bodemplaat 32mm
Doormiddel van de stelschroeven is het mogelijk om de scharnier na het bevestigen nog af te stellen zodat de kastdeur netjes recht hangt.


























Beoordelingen
Er zijn nog geen beoordelingen.